p_sanya
Пистолеты марки ЗИГ: качество и ещё раз качество ( 24 фото )

Пистолет M49, Tип 1 (SIG Model P210) (ок. 1955). Длина 229 мм, длина ствола 118 мм. Вес 970 г. Королевский Арсенал, Лидс
Лисица попрекала львицу за то, что та рожает только одного детеныша. Львица ответила: «Одного, но льва!»
Эзоп, перевод М. Гаспарова
Оружие и фирмы. Давно известно, что едва ли не всё боевое оружие, включая и пистолеты, есть не что иное, как компромисс, ловко найденный его создателем между его качеством и… ценой. Конечно, должны в нём присутствовать и небольшой вес, и удобство пользования, и жаро-морозоустойчивость, и меткость (куда без неё?!), но вопрос цены и качества в любом оружии присутствует постоянно. И как раз швейцарские пистолеты фирмы ЗИГ — признанные одними из лучших, среди всех, какие только есть – лучший пример такого компромисса. Да, они очень хорошие. Но из-за их высокой цены практически ни одна армия долгое время не могла позволить себе удовольствие покупать их в достаточно большом количестве. Иначе это приведёт к серьёзной «дырке» в бюджете.
Правда, в 2017 году именно швейцарское объединение Lüke & Ortmeier Gruppe (принадлежащее германской компании SIG Sauer) выиграло «пистолетный тендер», объявленный Пентагоном, в котором участвовали модели таких компаний, как «Глок», ФН Америка и «Беретта» из США (более подробно). Калибр пистолета был выбран стандартный: 9х19 Parabellum, но сам пистолет выполнен на модульной основе и может быть конвертирован под использование боеприпасов .357 SIG, .40 S&W или .45 ACP путем замены ствола и кожуха-затвора. Пистолет этот: SIG Sauer P320. Отмечается, что всего лишь несколько других похожих образцов могут сравниться с ним по точности стрельбы. Кстати, на предыдущем конкурсе, который выиграл пистолет «Беретта», швейцарский образец Р-226 тоже участвовал. Он легко преодолел все трудности суровых американских испытаний, но на вооружение его в тот раз не приняли исключительно из-за его высокой цены. «Беретта» оказалась дешевле!

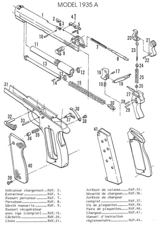
Пистолет SACM модели 1935 A с кобурой. В 1927 году военное министерство Франции распорядилось использовать новый боеприпас калибра 7,65 мм под названием «7,65» для продолжения сравнительных экспериментов с автоматическими пистолетами, начатыми в 1922 году. В 1935 году был проведён конкурс, на который SACM (Société Alsacienne de Construction Mécanique) представило пистолет с использованием патента Чарльза Габриэля Петтера, бывшего офицера Иностранного легиона, инженера швейцарского происхождения, проживавшего во Франции. Он подал заявку на патент 9 марта 1934 года и получил его 25 марта 1935 года (номер 782914). Этот патент соблазнил Экспериментальную комиссию, которая приняла пистолет, представленный SACM, под названием Automatic Pistol Model 1935 A (PA35A) на вооружение французской армии. До капитуляции в июне 1940 года их было выпущено 10 700 штук. После войны было выпущено 50 400 пистолетов, а всего до прекращения производства в конце 50-ых их было сделано 84 950. Фото Alain Daubresse www.littlegun.be

Этот же пистолет под патрон 7,65x19,5 мм «long» производства фирмы MAS (d'Armes de ST Etienne). Фото Alain Daubresse www.littlegun.be
Интересно, что фирма «Schweizerische Industrie Gesellschaft» (SIG), появившаяся в 1853 году, начала свою деятельность с выпуска… паровозов. Но очень скоро она перешла на производство оружия, причём довольно примитивного: дульнозарядных винтовок для родной швейцарской армии. Но время шло, производство совершенствовалось, станочный парк расширялся, и вот уже ЗИГ начала производить винтовки Веттерли с ручным затвором и Шмидта-Рубина, оказавшиеся столь совершенными и настолько соответствовавшими менталитету швейцарцев, что на вооружении швейцарской армии они состояли больше полувека практически без изменений.

Схема устройства пистолета Чарльза Петтера
И в настоящее время она по-прежнему производит армейские винтовки, только сейчас это 5,56-мм штурмовая винтовка SIG-550 в нескольких модификациях.
Что касается пистолетов, то на них компания обратила внимание после окончания Второй мировой войны. Казалось, всякого оружия после неё было полным-полно и не было смысла затеваться с новыми образцами. Однако руководство фирмы рассудило иначе. Прежде всего ЗИГ купило несколько патентов Чарльза Петтера – человека очень интересной судьбы. В 20-ые годы XX века он воевал в составе французского Иностранного легиона в Северной Африке, был там ранен и сделался инвалидом. Но… в итоге стал конструктором-оружейником и сконструировал пистолет MAS-35. Ну а фирма ЗИГ в 1937 году купила во Франции его патенты, и занялась доводкой понравившегося ей образца с целью запустить его в производство в Швейцарии. Дело в том, что швейцарская армия приняла решение избавиться от старого 7,65-мм пистолета «Люгер», которым она вооружалась с 1900 года, и… использовать что-то новенькое и более современное!
Но появился новый пистолет только в 1947 году — 9-мм SIG-SP-47/8 (последняя цифра указывает на количество патронов в магазине). Одновременно была выпущена и модель для продажи на коммерческой основе, получившая название SIG-P-210. На вооружение он был принят два года спустя…

Юбилейная модель пистолета SIG-P-210/Р49, посвящённая 50-летнему юбилею (1949-1999) пребывания этого пистолета на вооружении швейцарской армии! Фото Alain Daubresse www.littlegun.be

А это его подарочная упаковка! Фото Alain Daubresse www.littlegun.be
Хотя пистолет и получился дорогим, он стал популярен вследствие точности и высокой надёжности. Причём он выпускается до сих пор. На вооружение его приняли в Швейцарии и в Дании, там, видно, тоже с расходами решили не считаться и поступить по нашей российской поговорке: «дорого, да мило, дёшево – да гнило!» Ну и, конечно, его стали закупать для спецслужб, хотя и в небольших количествах.

Детали разобранного P-210. Фото Alain Daubresse www.littlegun.be
Интересно, что никаких особых инноваций в пистолете нет. Так, система запирания его затвора аналогична той, что использовалась в «браунинге хай пауэр», – то есть за выступ на стволе с фигурным пазом, который входил в профилированный вырез на рамке. Во время выстрела ствол и кожух затвора отходили назад, ствол опускался, от чего происходило расцепление ствола и кожуха затвора. Но на пистолете ЗИГа кожух затвора двигался внутри рамки, благодаря чему устойчивость его при отдаче была лучше. Швейцарские инженеры придумали и как по-новому крепить ствол в кожухе затвора. И сумели сделать так, что он оставался параллельным кожуху всё то время, пока пуля находилась в канале ствола. Именно это и обеспечивало столь поразительную точность стрельбы из этого пистолета.

Швейцарский армейский пистолет модели SIG P-210-2 (начала 1970-х), с маркировкой «P» для продажи частным лицам. Рядом с ним магазин и патрон калибра 9-мм Раrа
Правда, защёлка магазина у этого пистолета находилась на основании рукоятки. Это можно назвать, пожалуй, единственным заметным недостатком Р-210 как боевого пистолета. Защёлка магазина, сделанная под большой палец, позволяет одной рукой извлекать магазин, а другой подносить новый. Последние модели пистолетов имеют кнопку защёлки у скобы ограждения спускового крючка.

А вот это тоже юбилейный образец. И посвящён он не менее знаковому событию: 700-летию швейцарской конфедерации. Фото Alain Daubresse www.littlegun.be
Интересно, что поскольку швейцарские законы сильно затрудняют продажу оружия другим странам, чтобы выйти на мировой оружейный рынок, фирме ЗИГ пришлось подписать соглашение с компанией «J. P. Sauer & amp; Sohn» («Зауэр энд Зон») в городе Эккернфёрде в Германии. После чего пистолеты, созданные инженерами ЗИГ, стали производить на заводе «Зауэр».

Схема устройства пистолета Р-210. Фото Alain Daubresse www.littlegun.be
Итогом этих совместных усилий стал пистолет SIG Р-220, появившийся в 1974 году. Эта модель, как и Р-210, была столь же эффективной, но более проста в смысле её производства. Фигурный вырез под стволом был сохранён, но вырезы в стенках кожуха затвора как технологически сложные решили убрать. Окно выбрасывателя было расположено на верхней части кожуха затвора. Так что теперь запирание ствола стало осуществляться при помощи выступа ствола, который входил в окно выбрасывателя. Получилось исключительно просто и надёжно, и даже удивительно, что никто не додумался до этого раньше!

Пистолет SIG P-220 под патроны калибра 7,65-мм Para. Фото Alain Daubresse www.littlegun.be

SIG P-220 калибра 9-мм Para с хромированным корпусом. Фото Alain Daubresse www.littlegun.be
На пистолете Р-220 был применён и ударно-спусковой механизм с двойным действием. Предохранитель поместили с левой стороны кожуха, чтобы им было удобно управлять большим пальцем правой руки.

SIG P-220 калибра .45. Фото Alain Daubresse www.littlegun.be
Действует система предохранения следующим образом: при стрельбе без предварительного взвода курка, при нажатии на спусковой крючок последний с помощью спусковой тяги взводит курок. При этом предохранитель воздействует на блокиратор ударника, а шептало выходит из зацепления с курком. Ударник освобождён, курок поворачивается и бьёт по ударнику. Происходит выстрел.

SIG P-226. Фото Alain Daubresse www.littlegun.be
Нажатием на флажок предохранителя взведённый курок поднимается, удерживаясь предохранителем за выступ предохранительного взвода. Таким образом, заряженный пистолет вместе со взведённым курком можно носить совершенно безопасно. Ударник блокируется и до, и после постановки на предохранитель.

Схема устройства SIG P-226. Илл. из книги К. Шанта. Стрелковое оружие. М.: «Омега», 2003. Стр. 135
То есть пистолет может выстрелить только при полностью нажатом спусковом крючке. Даже с заряженным и взведённым курком пистолет можно бросать безо всяких последствий. Но первый выстрел можно производить без выключения внешних предохранителей, как и при стрельбе из револьвера!

Р-226 под патрон .357 в «двухцветном» исполнении. Фото Alain Daubresse www.littlegun.be
В стандартном варианте Р-220 использовался 9-мм патрон «Парабеллум» и девятизарядный магазин. Но были варианты и под следующие боеприпасы: 7,65-мм «Парабеллум», патрон калибра .38 «Супер авто», и даже .45 АРС, хотя выпуск 7,65-мм пистолета прекратили из-за недостаточного спроса.

Р-229 калибра .40 (.40 Smith & Wesson, 10×22 мм Смит и Вессон). Фото Alain Daubresse www.littlegun.be
Затем в середине 70-х ЗИГ по просьбе Федеральной германской полиции разработал пистолет SIG Р-225 меньшего, чем Р-220, размера и уменьшенной на один патрон ёмкостью магазина. Калибр 9-мм, принцип работы всё тот же. Добавлен ещё и внутренний предохранитель, полностью исключающий возможность случайного выстрела при падении пистолета со взведённым курком. Р-225 взяла на вооружение швейцарская полиция и ряд полицейских министерств в германских землях. Продаётся он и за границу, в том числе и в США.
В 1980 в ЗИГ было решено создать пистолет для американской армии на замену «кольта» М-1911. За основу взяли Р-225 и сделали… Р-226. По лицензии его стали выпускать в США на заводах «Маремонт корпорэйшн». Но армия отказалась от него в пользу «беретты» 92-F. Нового в этом пистолете немного: 80 процентов деталей и механизмов Р-226 тождественны моделям Р-220 и Р-225. Но у него большая ёмкостью магазина, а его защёлка расположена так, чтобы пользоваться ей можно было и правой, и левой рукой. Магазинов два вида – на 15 и 20 патронов.

Р-230 – базируется на конструкции Walther PP/PPK, калибр 9-мм Браунинг
Наряду с этими пистолетами ЗИГ выпускает также и Р-230, разработанный в одно время с Р-220. Этот небольшой пистолет специально для полиции имеет свободный затвор и может использовать патроны 9-мм «Шорт» или 7,65-мм АСР. Ударно-спусковой механизм у него также двойного действия, как и устройство предохранителя с блокировкой ударника. Дизайн вот отличается более плавной формой, по сравнению с другими пистолетами, которые выглядят довольно угловатыми.

Р-232 (дальнейшая модификация Р-230) калибра .38. Фото Alain Daubresse www.littlegun.be

Р-239 калибра .40 с традиционными деревянными накладками на рукоятку. Фото Alain Daubresse www.littlegun.be
Затем появился Р-228 – опять-таки улучшенный вариант Р-225 с 13-зарядным собственным магазином и возможностью применять на нём магазины от Р-226 на 15 и 20 патронов. Своим дизайном он отличается от предшественников, но его внутреннее устройство на них очень похоже. Многие детали Р-228 являются взаимозаменяемыми с деталями пистолетов Р-225 и Р-226.

Р-239 калибра 9-мм в «двухцветном» исполнении. Обратите внимание, что на левой стороне пистолета имеется целых три рычажка. Первый, прямо над спусковым крючком – это фиксатор кожуха затвора, второй, следом за ним – «флажок» предохранителя. Последний рычажок – задержка затвора. Фото Alain Daubresse www.littlegun.be
Направленный на испытания в США, пистолет потом был принят на вооружение британской специальной службы САС.

Р-245 под патроны .45 калибра. Фото Alain Daubresse www.littlegun.be
Ну а вот что в итоге получили американцы: пистолеты М17 и М18 Компакт. Контракт стоит 580 миллионов долларов и заключён на срок до 2027 года. В соответствии с ним армия США должна будет получить прямо-таки фантастическое количество пистолетов – 500 000 единиц, рассчитанное, видимо, на все случаи жизни и на всех, кому только можно будет навесить такой пистолет. Все модели будут тёмно-песочного цвета (Flat Dark Earth) – это сейчас тренд такой, тут уж никуда не денешься – «чёрные пистолеты» своё уже отжили!

М17 – новый пистолет армии США. Калибр 9-мм Para. Магазин – 17 патронов. Вес без патронов 833 г. Общая длина – 203 мм, длина ствола 119 мм, длина прицельной линии 168 мм, высота 140 мм. Фото SIG Sauer GmbH

М18 Компакт. Фото SIG Sauer GmbH
Автор:Вячеслав Шпаковский
Взято: Тут
429