RobertRab
Ракеты воздух-воздух: вынужденная эволюция ( 16 фото + 1 гиф )

Развитие технологий приводит к появлению перспективных боевых комплексов, противостоять которым существующими вооружениями становится практически невозможно. В частности, радикально изменить формат войны в воздухе могут перспективные противоракеты воздух-воздух (В-В) и лазерные комплексы самообороны боевых самолётов. Соответствующие технологии мы ранее рассмотрели статьях Лазерное оружие на боевых самолётах. Можно ли ему противостоять? и Авиационные противоракеты воздух-воздух. Получат развитие и комплексы радиоэлектронной борьбы (РЭБ), способные эффективно противодействовать ракетам В-В и земля-воздух (З-В) с радиолокационной головкой самонаведения. Причём на боевых самолётах большой размерности, например, на таких как перспективный американский бомбардировщик B-21 Raider, эти комплексы могут быть сравнимы по эффективности со средствами РЭБ, размещаемыми на специализированных самолётах.

Перспективный американский бомбардировщик B-21 Raider может получить самые совершенные комплексы самообороны из всех когда-либо устанавливающихся на боевых самолётах
Естественно, что появление продвинутых систем защиты боевых самолётов не может остаться без ответа, и потребуется соответствующая эволюция ракет воздух-воздух, способных преодолеть такую защиту с приемлемой вероятностью.
Задача эта будет достаточно сложная, поскольку перспективные системы самообороны дополняют друг друга, затрудняя выработку эффективных мер противодействия. К примеру, появление лазерных комплексов самообороны потребует оснащения ракет противолазерной защитой, которая, вопреки распространённому мнению, не может быть выполнена из фольги или краски серебрянки, и будет достаточно тяжёлой и громоздкой. В свою очередь, увеличение массы и габаритов ракет В-В сделает их более лёгкими целями для противоракет В-В, которым противолазерная защита не требуется.
Таким образом, для наделения перспективных ракет воздух-воздух способностью поражать перспективные боевые самолёты, оснащённые противоракетами, лазерными комплексами самообороны и средствами РЭБ, потребуется реализовать целый комплекс мер, которые мы рассмотрим в настоящей статье.
Двигатели
Двигатель – это основа ракет В-В. Именно параметры двигателя определяют дальность и скорость ракеты, максимально допустимую массу головки самонаведения (ГСН) и массу боевой части (БЧ). Также энергетика двигателя является одним из факторов, определяющих маневренные возможности ракеты.
В настоящее время основными двигательными установками для ракет воздух-воздух по-прежнему остаются ракетные двигатели на твёрдом топливе (РДТТ). Перспективным решением является прямоточный воздушно-реактивный двигатель (ПВРД) – такой установлен на новейшую европейскую ракету В-В Meteor компании MBDA.

Ракета В-В MBDA Meteor с ПВРД
По неподтверждённым данным, в рамках засекреченной «чёрной» программы Министерства обороны США была разработана ракета В-В с ПВРД, и даже использована во время операции в Персидском заливе, с её помощью был сбит по крайней мере один иракский самолёт.
Применение ПВРД позволяет увеличить дальность стрельбы, при этом ракета сравнимой дальности с РДТТ будет иметь большие габариты или худшие энергетические характеристики, что отрицательно скажется на её возможности интенсивно маневрировать. В свою очередь, ПВРД также может иметь ограничения по интенсивности маневрирования из-за ограничений по углам атаки и скольжения, необходимым для корректной работы ПВРД.
Таким образом, перспективные ракеты В-В в любом случае будут включать РДТТ для достижения минимальной скорости, необходимой для запуска ПВРД, и самого ПВРД. Возможен вариант, что ракеты В-В станут двухступенчатыми – первая ступень будет включать РДТТ для разгона и ПВРД, а вторая ступень будет включать только РДТТ для обеспечения интенсивных манёвров на конечном участке, при подлёте к цели, в том числе для уклонения от противоракет воздух-воздух и снижения эффективности лазерных комплексов самообороны противника.
Вместо твёрдого топлива, использующегося в РДТТ, может получить развитие гелеобразное или пастообразное топливо (РДПТ). Такие двигатели сложнее в разработке и изготовлении, но позволят обеспечить лучшие энергетические характеристики по сравнению с твёрдым топливом, а также потенциально возможность дросселирования тяги и возможность включения/выключения РДПТ.

Схема ракетного двигателя на пастообразном топливе (из книги Ракетно-прямоточные двигатели на твёрдых и пастообразных топливах. Основы проектирования и экспериментальной отработки)
Сверхманевренность
В перспективных ракетах воздух-воздух возможность интенсивного маневрирования потребуется не только для поражения высокоманевренных целей, но и для совершения интенсивных манёвров, препятствующих поражению противоракетами В-В и снижающих эффективность лазерных комплексов самообороны противника.
Для повышения маневренности ракет В-В могут использоваться двигатели с управляемым вектором тяги (УВТ) и/или двигатели поперечного управления в составе газодинамического пояса управления.

Газодинамический пояс управления
Применение УВТ или газодинамического пояса управления позволит перспективным ракетам В-В как повысить эффективность преодоления перспективных комплексов самообороны противника, так и обеспечить поражение цели прямым попаданием (hit-to-kill).
Необходимо сделать ремарку – сама по себе возможность интенсивно маневрировать, даже при сохранении достаточной энергетики ракеты В-В, обеспечиваемой ПВРД или РДПТ, не обеспечит эффективного уклонения от противоракет противника – необходимо будет обеспечить обнаружение подлетающих противоракет, поскольку обеспечить интенсивное маневрирование на всём протяжении полёта ракеты В-В невозможно.
Снижение заметности
Для того чтобы противоракета или лазерный комплекс самообороны боевого самолёта атаковали подлетающие ракеты воздух-воздух, они должны быть заблаговременно обнаружены. Современные системы предупреждения о ракетной атаке способны делать это с высокой эффективностью, в том числе определять траекторию подлетающих ракет В-В или З-В.

Оптико-локационные системы (ОЛС) истребителя F-35 позволяют с высокой эффективностью осуществлять обнаружение ракет типа В-В и З-В, фактически позволяя пилоту видеть подлетающую ракету
Применение мер по снижению заметности ракет воздух-воздух позволит значительно уменьшить дальность их обнаружения системами предупреждения о ракетной атаке.
Разработки ракет со сниженной заметностью ранее уже велись. В частности, в 80-х годах ХХ века в США была разработана и доведена до стадии испытаний малозаметная ракета воздух-воздух Have Dash/Have Dash II. Один из вариантов ракеты Have Dash предусматривал использование ПВРД, который, в свою очередь, предположительно был применён в вышеупомянутой ракете В-В, испытанной в Персидском заливе.
Ракета Have Dash имеет корпус из радиопоглощающего композита на основе графита характерной гранёной формы с треугольным или трапециевидным сечением. В носовой части располагался радиопрозрачный/ИК-прозрачный обтекатель, под которым размещалась двухрежимная ГСН с активным радиолокационным и пассивным инфракрасным каналами наведения, инерциальная система наведения (ИНС).

Малозаметная ракета воздух-воздух Have Dash
На момент разработки потребность у ВВС США в малозаметных ракетах отсутствовала, поэтому их дальнейшая разработка была приостановлена, а возможно, что засекречена и переведена в статус «чёрных» программ. В любом случае наработки по ракетам Have Dash могут быть и будут использованы в перспективных проектах.
В перспективных ракетах В-В могут быть приняты меры по уменьшению заметности как в радиолокационном (РЛ), так и в инфракрасном (ИК) диапазонах длин волн. Факел двигателя может частично быть экранирован элементами конструкции, корпус выполнен из радиопоглощающих композиционных материалов с учётом оптимального переотражения РЛ излучения.
Снижение РЛ-заметности перспективных ракет В-В будет затрудняться необходимостью одновременного обеспечения их эффективной противолазерной защитой.
Противолазерная защита
В ближайшее десятилетие лазерное оружие может стать неотъемлемым атрибутом боевых самолётов и вертолётов. На первом этапе его возможности позволят обеспечить поражение оптических ГСН ракет В-В и З-В, а в дальнейшем, по мере увеличения мощности, и самих ракет В-В и З-В.

Лазерное оружие мощностью 15-150 киловатт может быть интегрировано в планер перспективных летательных аппаратов или размещаться в подвесном контейнере
Отличительной особенностью лазерного оружия является возможность практически мгновенно перенаправлять луч с одной цели на другую. На большой высоте и скорости полёта невозможно обеспечить защиту дымовыми завесами, высока оптическая прозрачность атмосферы.
На стороне ракеты В-В находится её высокая скорость – эффективная дальность лазерного оружия самообороны вряд ли превысит 10-15 километров, это расстояние ракета В-В преодолеет за 5-10 секунд. Можно предположить, что лазеру мощностью 150 кВт потребуется 2-3 секунды на поражение незащищённой ракеты В-В, то есть лазерный комплекс самообороны может отразить удар двух-трёх таких ракет.
Самолёты большей размерности могут получить преимущество, поскольку на них может быть размещено несколько лазерных комплексов самообороны, и их мощность может быть выше, больше противоракет в отсеках вооружения, мощнее РЛС и средства РЭБ. Вопрос перспективы увеличения размерности боевых самолётов и изменения тактики их применения рассматривался в статьях Концепт боевого самолёта 2050 года и оружие на новых физических принципах и Куда уйдёт боевая авиация: прижмётся к земле или наберёт высоту?.
Для преодоления перспективных лазерных комплексов самообороны потребуется организовать одновременный подход к цели группы ракет В-В или повысить их защищённость от лазерного оружия.
Вопросы защиты боеприпасов от мощного лазерного излучения рассматривались в статье Противостоять свету: защита от лазерного оружия.
Можно выделить два направления. Первое – это применение абляционной защиты (от латинского ablatio – отнятие, унос массы) – эффект работы которой основан на уносе вещества с поверхности защищаемого объекта потоком горячего газа и/или на перестройке пограничного слоя, что в совокупности значительно уменьшает теплопередачу к защищаемой поверхности.

Схема абляционной защиты и абляционная защита космического корабля «Буран» в разрезе
Второе направление – покрытие корпуса несколькими защитными слоями из тугоплавких материалов, например, керамического покрытия поверх матрицы из углерод-углеродного композита. Причём верхний слой должен обладать высокой теплопроводностью для того, чтобы максимально распределить тепло от нагрева лазером по поверхности корпуса, а внутренний слой должен обладать низкой теплопроводностью для того, чтобы уберечь от перегрева внутренние компоненты.

Керамическое покрытие Zr0.8Ti0.2C0.74B0.26, разработанное учёными из Института Ройса при Университете Манчестера (Великобритания) и Центрального южного университета (Китай) – слева материал до проведения испытаний, в центре и справа – после двухминутных испытаний при температуре 2000°C и 2500°C, в центре правого образца находится белый участок, где температура достигала 3000°C
Основной вопрос в том, какой толщины и массы должно быть покрытие ракеты В-В для того, чтобы противостоять воздействию лазера мощностью 50-150 кВт и более, и как оно повлияет на маневренные и динамические характеристики ракеты. Также оно должно сочетаться с требованиями к малозаметности.
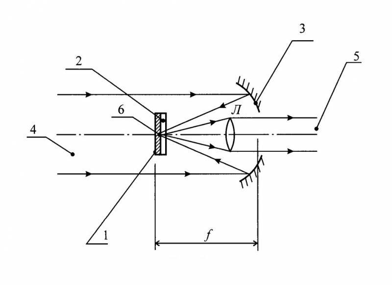
Не менее сложной задачей является защита ГСН ракеты. Применимость ракет В-В с ИК ГСН против самолётов, оснащённых лазерными комплексами самообороны, находится под большим вопросом. Маловероятно, что термооптические пассивные затворы смогут выдержать воздействие лазерного излучения мощностью десятки-сотни киловатт, а механические затворы не обеспечивают необходимой скорости закрытия, чтобы уберечь чувствительные элементы.

Изображения из патента РФ № 2509323 на оптический пассивный затвор: 1 — металлическая плавящаяся и испаряющаяся под действием излучения зеркальная плёнка, 2 — прозрачная подложка, 3 — параболическое зеркало, 4 и 5 — входная и выходная апертуры оптического устройства с затвором, 6 — область в плёнке 1, подвергаемая воздействию лазерного нагревания, g — фокусное расстояние параболического зеркала, Л — объектив
Возможно, удастся добиться работы ИК ГСН в режиме «мгновенного обзора», когда головка самонаведения почти всегда закрыта вольфрамовой диафрагмой, а открывается лишь на короткий период времени для получения изображения цели – в момент, когда отсутствует лазерное излучение (его наличие должно определяться специальным датчиком).
Для обеспечения работы активной радиолокационной головки самонаведения (АРЛГСН) защитные материалы должны обладать прозрачностью в соответствующем диапазоне длин волн.
Защита от ЭМИ
Для уничтожения ракет воздух-воздух на большом удалении противник потенциально может применять противоракеты В-В с боевой частью, генерирующей мощный электромагнитный импульс (ЭМИ-боеприпасы). Один ЭМИ боеприпас потенциально может поражать сразу несколько ракет В-В противника.
Для уменьшения воздействия ЭМИ боеприпасов электронные компоненты могут экранироваться феромагнитными материалами, например, чем-то типа «ферритовой ткани» с высокими поглощающими свойствами, удельной массой всего 0,2 кг/м2, разработанной российской компанией «Феррит-Домен».
В составе электронных компонент могут применяться средства размыкания цепей при возникновении сильных индукционных токов – стабилитроны и варисторы, а АРЛГСН может быть выполнена на базе устойчивой к ЭМИ низкотемпературной совместно обжигаемой керамики (Low Temperature Co-Fired Ceramic – LTCC).

Планарная активная фазированная антенная решётка (АФАР) с использованием технологии LTCC-керамики разработки ОАО «НИИПП», г. Томск
Залповое применение
Одним из способов преодоления защиты перспективных боевых самолётов является массированное применение ракет В-В, к примеру, несколько десятков ракет в залпе. Новейший истребитель F-15EX может нести до 22 ракет типа AIM-120 или до 44 малогабаритных ракет CUDA, российский истребитель Су-35С – 10-14 ракет В-В (возможно, что их количество может быть увеличено за счёт использования сдвоенных пилонов подвеса или использования ракет В-В уменьшенных габаритов). Истребитель пятого поколения Су-57 также имеет 14 точек подвески (с учётом внешних). Возможности других истребителей пятого поколения в этом плане скромнее.

EF-2000 Typhoon может нести вооружение на 14 точках подвески
Вопрос в том, насколько такая тактика окажется эффективной при одновременном противодействии средствами РЭБ, противоракетами с электромагнитной БЧ, противоракетами средней дальности типа CUDA, малогабаритными противоракетами типа MSDM / MHTK / HKAMS и лазерными бортовыми комплексами самообороны. Существует вероятность того, что «классические» незащищённые ракеты воздух-воздух могут стать неэффективными из-за их высокой уязвимости для перспективных комплексов самообороны боевых самолётов.
БПЛА – носитель ракет В-В
Увеличить количество ракет В-В в залпе и приблизить их к атакуемому самолёту можно, используя в связке с боевым самолётом недорогой малозаметный беспилотный летательный аппарат (БПЛА). Такие БПЛА в настоящее время активно разрабатываются в интересах ВВС США.
Компании General Atomics и Lockheed Martin по заказу Управления перспективных исследовательских проектов Министерства обороны США DARPA осуществляют разработку малозаметного БПЛА воздушного базирования с возможностью использования оружия класса воздух-воздух в рамках программы LongShot. При атаке такие БПЛА могут выдвигаться вперёд атакующего истребителя, увеличивая количество ракет В-В в залпе, позволяя им сохранить энергетику для конечного участка. Малая радиолокационная и инфракрасная заметность БПЛА-носителя позволит отсрочить момент активации бортовых систем самообороны атакуемого самолёта.

Концепты БПЛА LongShot
Для определения момента активации систем бортовой обороны атакуемого самолёта – запуска противоракет В-В, включения средств РЭБ, БПЛА могут быть оснащены специализированной аппаратурой. Может быть рассмотрен вариант, когда БПЛА-носитель будет выполнять роль «камикадзе», следуя за ракетами В-В, прикрывая их средствами РЭБ, осуществляя ретрансляцию внешнего целеуказания с самолёта носителя.
Такие БПЛА не обязательно должны иметь воздушное базирование, но это увеличит их габариты и стоимость. В свою очередь, воздушное базирование потребует увеличения габаритов и грузоподъёмности носителя, о чём мы уже говорили ранее – вплоть до появления своеобразных «воздушных авианосцев», которые мы рассматривали в статье Боевые «Гремлины» ВВС США: возрождение концепции воздушных авианосцев.
Верхом на гиперзвуке
Ещё более радикальным решением может стать создание тяжёлых ракет В-В с суббоеприпасами в виде малогабаритных ракет В-В вместо моноблочной боевой части. Они могут быть оснащены ПВРД, обеспечивающим высокую сверхзвуковую или даже гиперзвуковую скорость полёта на большей части траектории.
Зенитные управляемые ракеты (ЗУР) с суббоеприпасами калибром от 30 до 55 мм и длиной от 400 до 800 мм создавались ещё в нацистской Германии, впрочем, тогда это были неуправляемые осколочно-фугасные (ОФ) боеприпасы.

Боевая часть ЗУР с неуправляемыми ОФ суббоеприпасами
В России разрабатываются перспективные ЗУР и тяжёлые ракеты В-В для перехватчиков МиГ-31 и перспективного МиГ-41, в качестве суббоеприпасов в которых будут использоваться перспективные ракеты воздух-воздух К-77М, представляющие собой развитие ракет РВВ-СД. Предполагается, что они будут использоваться для поражения гиперзвуковых целей – наличие нескольких индивидуально-самонаводящихся суббоеприпасов повысит вероятность поражения сложных высокоскоростных целей.

Концепт перспективной ракеты с несколькими суббоеприпасами индивидуального наведения
Однако можно предположить, что перспективная тяжёлая ракета В-В окажется более востребованной именно для поражения боевых самолётов, оснащённых перспективными комплексами самообороны.
Как и в случае с БПЛА-носителями, первая ступень ракеты В-В, носитель суббоеприпасов, также может быть оснащена средствами обнаружения атаки противоракетами, обнаружения применения средств РЭБ противником и собственными средствами РЭБ, аппаратурой ретрансляции целеуказания с носителя на суббоеприпасы.
Ложные цели
Одним из элементов оснащения БПЛА-носителей и дополнением к управляемым суббоеприпасам перспективных тяжёлых ракет В-В могут стать ложные цели. Существуют определённые проблемы, затрудняющие их использование – боевые действия в воздухе ведутся на высоких скоростях с интенсивным маневрированием, поэтому ложную цель не получится сделать простой «болванкой». Как минимум она должна включать двигатель с запасом топлива, простейшую ИНС и органы управления, возможно, что и приёмник получения информации от внешнего источника целеуказания.
Казалось бы – какой тогда смысл, по сути это уже почти ракета В-В? Однако отсутствие боевой части, двигателей поперечного управления и/или УВТ, отказ от технологий снижения заметности, а главное – от дорогой системы наведения, позволит сделать ложную цель в несколько раз дешевле «настоящей» ракеты В-В и в несколько раз меньше по габаритам.
То есть вместо одной ракеты В-В могут размещаться 2-4 ложные цели, которые смогут примерно поддерживать курс и скорость относительно реальных ракет В-В. Они могут быть оснащены уголковыми отражателями или линзами Люнеберга для получения эффективной поверхности рассеивания (ЭПР), эквивалентной ЭПР «настоящих» ракет В-В.
Дополнительное сходство ложных целей и реальных ракет воздух-воздух должен обеспечить интеллектуальный алгоритм атаки.
Интеллектуальный алгоритм атаки
Важнейшим элементом, обеспечивающим эффективность атаки перспективными ракетами воздух-воздух, должен стать интеллектуальный алгоритм, обеспечивающий взаимодействие самолёта носителя, промежуточных носителей – гиперзвукового разгонного блока или БПЛА, суббоеприпасов воздух-воздух и ложных целей.
Необходимо обеспечить атаку на цель с оптимального направления, синхронизировать ложные цели и суббоеприпасы В-В по времени подлёта (изменение скорости полёта может осуществляться включением/выключением или дросселированием перспективных ракетных двигателей).
К примеру, после отделения суббоеприпасов В-В и ложных целей, при наличии на последних канала управления, ложные цели могут выполнять простейшие манёвры вместе с суббоеприпасами В-В. При отсутствии в ложных целях канала управления, они могут некоторое время двигаться в одном направлении с суббоеприпасами, даже при изменении целью направления полёта, затрудняя противоракетам В-В определение того, где настоящая цель, а где ложная, вплоть до момента наступления оптимального времени разворота для поражения цели с минимальной дистанции или уничтожения канала управления через БПЛА или разгонный блок.
Противник будет пытаться заглушить управление «стаей» суббоеприпасов В-В и ложных целей средствами РЭБ. Для противодействия этому может быть рассмотрен вариант использования односторонней оптической связи «носитель – БПЛА/разгонный блок» и «БПЛА/разгонный блок – суббоеприпасы В-В/ложные цели».
Выводы
Появление на перспективных боевых самолётах эффективных комплексов бортовой самообороны – противоракет воздух-воздух, лазерных комплексов самообороны, средств РЭБ, потребует разработки перспективных ракет воздух-воздух нового поколения.
В свою очередь, появление перспективных комплексов бортовой самообороны окажет существенное воздействие на боевую авиацию – она может пойти как по пути создания распределённых систем – пилотируемых самолётов и БПЛА различного типа, связанных в единую сеть, так и по пути увеличения габаритов боевых самолётов и соответствующего увеличения размещённого на них оружия, комплексов самообороны, средств РЭБ, увеличения мощности и габаритов РЛС. Также оба подхода могут быть скомбинированы.

«Волк силён не своими клыками, а своей стаей»
Перспективные боевые самолёты могут стать неким эквивалентом надводных кораблей – фрегатов и эсминцев, которые не уклоняются, а отбивают удар. Соответственно, и средства нападения должны эволюционировать с учётом этого фактора.
Вне зависимости от выбранного подхода к развитию боевой авиации, уверенно можно сказать одно – стоимость ведения войны в воздухе значительно увеличится.
Автор:Андрей Митрофанов
Взято: Тут
1265