Hellgrove
Вертикальный ветрогенератор своими руками ( 26 фото + 3 видео )
Нами была разработана конструкция ветрогенератора с вертикальной осью вращения. Ниже, представлено подробное руководство по его изготовлению, внимательно прочтя которое, вы сможете сделать вертикальный ветрогенератор сами.

Ветрогенератор получился вполне надежный, с низкой стоимостью обслуживания, недорогой и простой в изготовлении. Представленный ниже список деталей соблюдать не обязательно, вы можете внести какие-то свои коррективы, что-то улучшить, что-то использовать свое, т.к. не везде можно найти именно то, что в списке. Мы постарались использовать недорогие и качественные детали.

Используемые материалы и оборудование:
Наименование
Кол-во
Примечание
Список используемых деталей и материалов для ротора:
Предварительно вырезанный лист металла
Вырезан из стали толщиной 1/4" при помощи гидроабразивной, лазерной и др. резке
Ступица от авто (Хаб)
Должна содержать 4 отверстия, диаметр около 4 дюймов
2" x 1" x 1/2" неодимовый магнит
Очень хрупкие, лучше заказать дополнительно
1/2"-13tpi x 3' шпилька
TPI - кол-во витков резьбы на дюйм
1/2" гайка
1/2" шайба
1/2" гровер
1/2".-13tpi колпачковая гайка
1" шайба
Для того, чтобы выдержать зазор между роторами
Список используемых деталей и материалов для турбины:
3" x 60" Оцинкованная труба
ABS пластик 3/8" (1.2x1.2м)
Магниты для балансировки
Если нужны
Если лопасти не сбалансированы, то магниты прикрепляются для балансировки
1/4" винт
1/4" шайба
1/4" гровер
1/4" гайка
2" x 5/8" уголки
1" уголки
12 (опционально)
В случае, если лопасти не держат форму, то можно добавить доп. уголки
винты, гайки, шайбы и гроверы для 1" уголка
12 (опционально)
Список используемых деталей и материалов для статора:
Эпоксидка с затвердителем
2 л
1/4" винт нерж.
1/4" шайба нерж.
1/4" гайка нерж.
1/4" кольцевой наконечник
Для эл. соединения
1/2"-13tpi x 3' шпилька нерж.
Нерж. сталь не является ферромагнетиком, поэтому не будет "тормозить" ротор
1/2" гайка
Стеклоткань
Если нужна
51мм эмал. провод
24AWG
Список используемых деталей и материалов для монтажа:
1/4" x 3/4" болт
1-1/4" фланец трубы
1-1/4" оцинк. труба L-18"
Инструменты и оборудование:
1/2"-13tpi x 36' шпилька
Используется для поддомкрачивания
1/2" болт
Анемометр
Если нужен
1" лист алюминия
Для изготовления проставок, если понадобятся
Зеленая краска
Для покраски держателей пластика. Цвет не принципиален
Голубая краска бал.
Для покраски ротора и др. частей. Цвет не принципиален
Мультиметр
Паяльник и припой
Дрель
Ножовка
Керн
Маска
Защитные очки
Перчатки
Ветрогенераторы с вертикальной осью вращения не настолько эффективны, как их горизонтальные собратья, однако вертикальные ветрогенераторы менее требовательны к месту их установки.
Изготовление турбины

Соединяющий элемент - предназначен для соединения ротора к лопастям ветрогенератора.
Схема расположения лопастей - два встречных равносторонних треугольника. По данному чертежу потом легче будет расположить уголки крепления лопастей.

Если не уверены в чем то, шаблоны из картона помогут избежать ошибок и дальнейших переделываний.

Последовательность действий изготовления турбины:

Последовательность действий по изготовлению ротора:

Изготовление статора очень трудоемкий процесс. Можно конечно купить готовый статор (попробуй еще найти их у нас) или генератор, но не факт, что они подойдут для конкретного ветряка со своими индивидуальными характеристиками

Статор ветрогенератора - электрический компонент, состоящий из 9-ти катушек. Катушка статора изображена на фото выше. Катушки разделены на 3 группы, по 3 катушки в каждой группе. Каждая катушка намотана проводом 24AWG (0.51мм) и содержит в себе 320 витков. Большее количество витков, но более тонким проводом даст более высокое напряжение, но меньший ток. Поэтому, параметры катушек могут быть изменены, в зависимости от того, какое напряжение вам требуется на выходе ветрогенератора. Нижеследующая таблица поможет вам определиться:
320 витков, 0.51 мм (24AWG) = 100В @ 120 об/мин.
160 витков, 0.0508 мм (16AWG) = 48В @ 140 об/мин.
60 витков, 0.0571 мм (15AWG) = 24В @ 120 об/мин.
Вручную наматывать катушки - это скучное и трудное занятие. Поэтому, чтобы облегчить процесс намотки я бы вам посоветовал сделать простое приспособление - намоточный станок. Тем более, что конструкция его достаточно проста и сделать его можно из подручных материалов.
Витки всех катушек должны быть намотаны одинаково, в одном и том же направлении и обращайте внимание или отмечайте, где начало, а где конец катушки. Для предотвращения разматывания катушек, они обмотаны изолентой и промазаны эпоксидкой.
Приспособление для намотки катушек
Приспособа сделана из двух кусков фанеры, изогнутой шпильки, куска ПВХ-трубы и гвоздей. Перед тем, как изогнуть шпильку, нагрейте ее горелкой.

Небольшой кусок трубы между дощечками обеспечивает заданную толщину, а четыря гвоздя обеспечивают необходимые размеры катушек.

Вы можете придумать свою конструкцию намоточного станка, а может у вас уже имеется готовый.
После того, как все катушки намотаны их необходимо проверить на идентичность друг к другу. Это можно сделать при помощи весов, а также нужно померить сопротивления катушек мультиметром.

Схема соединения катушек статора
Не подключайте домашних потребителей напрямую от ветрогенератора! Также соблюдайте меры безопасности при обращении с электричеством!

Процесс соединения катушек:

Готовые катушки помещаются на вощеную бумагу с начерченной схемой расположения. Три небольших круга по углам на фото выше - места отверстий для крепления кронштейна статора. Кольцо в центре предотвращает попадание эпоксидки в центральную окружность.

Катушки закреплены на своих местах. Стеклоткань, небольшими кусочками помещается вокруг катушек. Выводы катушек можно вывести внутрь или наружу статора. Не забудьте оставить достаточный запас длины выводов. Обязательно еще раз проверьте все соединения и прозвоните мультиметром.

Статор практически готов. Отверстия для крепления кронштейна, сверлятся в статоре. При сверлении отверстий смотрите не попадите в выводы катушек. После завершения операции, обрежьте лишнюю стеклоткань и если необходимо, шкуркой зачистите поверхность статора.
Кронштейн статора
Труба для крепления оси хаба была обрезана под нужный размер. В ней были просверлены отверстия и нарезана резьба. В дальнейшем в них будут вкручены болты, которые будут удерживать ось.


На рисунке выше показан кронштейн, к которому будет крепиться статор, находящийся между двумя роторами.

На фото выше показана шпилька с гайками и втулкой. Четыре таких шпильки обеспечивают необходимый зазор между роторами . Вместо втулки можно использовать гайки большего размера, либо самому вырезать шайбы из алюминия.
Генератор. Окончательная сборка
Небольшое уточнение: малый воздушный зазор между связкой ротор-статор-ротор (который задается шпилькой с втулкой), обеспечивает более высокую отдаваемую мощность, но возрастает риск повреждения статора или ротора при перекосе оси, который может возникнуть при сильном ветре.

На левом рисунке ниже, показан ротор с 4-мя шпильками для обеспечения зазора и двумя алюминиевыми пластинами (которые в дальнейшем будут убраны).
На правом рисунке показан собранный и покрашенный в зеленый цвет статор, установленный на место.

Процесс сборки:
В плите верхнего ротора просверлите 4 отверстия и нарежьте в них резьбу для шпильки. Это необходимо для плавного опускания ротора на свое место. Уприте 4 шпильки в алюминиевые пластины приклеенные ранее и установите на шпильки верхний ротор.
Роторы будут притягиваться друг к другу с очень большой силой, поэтому и нужно такое приспособление. Сразу выровняйте роторы относительно друг-друга по поставленным ранее метках на торцах.
2-4. Поочередно вращая ключом шпильки, равномерно опускайте ротор.
После того, как ротор уперся в втулку (обеспечивающая зазор), выкрутите шпильки и уберите алюминиевые пластины.
Установите хаб (ступицу) и прикрутите его.

Генератор готов!

После установки шпилек (1) и фланца (2) ваш генератор должен выглядеть приблизительно так (см. рис. выше)

Болты из нержавейки служат для обеспечения электрического контакта. На провода удобно использовать кольцевые наконечники.

Колпачковые гайки и шайбы служат для крепления соедин. платы и опоры лопастей к генератору. Итак, ветрогенератор полностью собран и готов к тестам.
Для начала, лучше всего рукой раскручивать ветряк и измерять параметры. Если все три выходные клеммы закоротить между собой, то ветряк должен вращаться очень туго. Это может быть использовано для остановки ветрогенератора для сервисного обслуживания или в целях безопасности.
Ветрогенератор можно использовать не только для обеспечения дома электричеством. К примеру данный экземпляр, сделан так, чтобы статор вырабатывал большое напряжение, которое затем используется для нагрева.
Рассматриваемый выше генератор выдает 3-х фазное напряжение с различной частотой (зависит от силы ветра), а к примеру в России используется однофазная сеть 220-230В, с фиксированной частотой сети 50 Гц. Это отнюдь не означает, что данный генератор не подойдет для питания бытовых приборов. Переменный ток с данного генератора может быть преобразован в постоянный ток, с фиксированным напряжением. А постоянный ток уже может использоваться для питания светильников, нагрева воды, заряда аккумуляторов, а может быть поставлен преобразователь для преобразования постоянного тока в переменный. Но это уже выходит за рамки данной статьи.

На рисунке выше простая схема мостового выпрямителя, состоящего из 6-ти диодов. Он преобразовывает переменный ток в постоянный.
Место установки ветрогенератора
Ветрогенератор, описываемый здесь, установлен на 4-х метровой опоре на краю горы. Трубный фланец, который установлен снизу генератора обеспечивает легкую и быструю установку ветрогенератора - достаточно прикрутить 4 болта. Хотя для надежности, лучше приварить.
Обычно, горизонтальные ветрогенераторы "любят" когда ветер дует с одного направления, в отличии от вертикальных ветряков, где за счет флюгера, они могут поворачиваться и им не важно направление ветра. Т.к. данный ветряк установлен на берегу скалы, то ветер там создает турбулентные потоки с разных направлений, что не очень эффективно для данной конструкции.
Другим фактором, который необходимо учитывать при подборе места размещения, является сила ветра. Архив данных по силе ветра для вашей местности можно найти в интернете, правда это будет очень приблизительно, т.к. все зависит от конкретного места.
Также, в выборе месторасположения установки ветрогенератора поможет анемометр (прибор для измерения силы ветра).
Немного о механике ветрогенератора
Как известно, ветер возникает из-за разности температур поверхности земли. Когда ветер вращает турбины ветрогенератора, он создает три силы: подьемную, торможения и импульсную. Подьемная сила обычно возникает над выпуклой поверхностью и является следствием разности давлений. Сила торможения ветра возникает за лопастями ветрогенератора, она является нежелательной и тормозит ветряк. Импульсная сила возникает из-за изогнутой формы лопастей. Когда молекулы воздуха толкают лопасти сзади, то им некуда потом деваться и они собираются позади них. В результате, они толкают лопасти в направлении ветра. Чем больше подьемная и импульсная силы и меньше сила торможения, тем быстрее лопасти будет вращаться. Соответственно вращается ротор, который создает магнитное поле на статоре. В результате чего вырабатывается электрическая энергия.


Ветрогенератор получился вполне надежный, с низкой стоимостью обслуживания, недорогой и простой в изготовлении. Представленный ниже список деталей соблюдать не обязательно, вы можете внести какие-то свои коррективы, что-то улучшить, что-то использовать свое, т.к. не везде можно найти именно то, что в списке. Мы постарались использовать недорогие и качественные детали.

Используемые материалы и оборудование:
Наименование
Кол-во
Примечание
Список используемых деталей и материалов для ротора:
Предварительно вырезанный лист металла
Вырезан из стали толщиной 1/4" при помощи гидроабразивной, лазерной и др. резке
Ступица от авто (Хаб)
Должна содержать 4 отверстия, диаметр около 4 дюймов
2" x 1" x 1/2" неодимовый магнит
Очень хрупкие, лучше заказать дополнительно
1/2"-13tpi x 3' шпилька
TPI - кол-во витков резьбы на дюйм
1/2" гайка
1/2" шайба
1/2" гровер
1/2".-13tpi колпачковая гайка
1" шайба
Для того, чтобы выдержать зазор между роторами
Список используемых деталей и материалов для турбины:
3" x 60" Оцинкованная труба
ABS пластик 3/8" (1.2x1.2м)
Магниты для балансировки
Если нужны
Если лопасти не сбалансированы, то магниты прикрепляются для балансировки
1/4" винт
1/4" шайба
1/4" гровер
1/4" гайка
2" x 5/8" уголки
1" уголки
12 (опционально)
В случае, если лопасти не держат форму, то можно добавить доп. уголки
винты, гайки, шайбы и гроверы для 1" уголка
12 (опционально)
Список используемых деталей и материалов для статора:
Эпоксидка с затвердителем
2 л
1/4" винт нерж.
1/4" шайба нерж.
1/4" гайка нерж.
1/4" кольцевой наконечник
Для эл. соединения
1/2"-13tpi x 3' шпилька нерж.
Нерж. сталь не является ферромагнетиком, поэтому не будет "тормозить" ротор
1/2" гайка
Стеклоткань
Если нужна
51мм эмал. провод
24AWG
Список используемых деталей и материалов для монтажа:
1/4" x 3/4" болт
1-1/4" фланец трубы
1-1/4" оцинк. труба L-18"
Инструменты и оборудование:
1/2"-13tpi x 36' шпилька
Используется для поддомкрачивания
1/2" болт
Анемометр
Если нужен
1" лист алюминия
Для изготовления проставок, если понадобятся
Зеленая краска
Для покраски держателей пластика. Цвет не принципиален
Голубая краска бал.
Для покраски ротора и др. частей. Цвет не принципиален
Мультиметр
Паяльник и припой
Дрель
Ножовка
Керн
Маска
Защитные очки
Перчатки
Ветрогенераторы с вертикальной осью вращения не настолько эффективны, как их горизонтальные собратья, однако вертикальные ветрогенераторы менее требовательны к месту их установки.
Изготовление турбины

Соединяющий элемент - предназначен для соединения ротора к лопастям ветрогенератора.
Схема расположения лопастей - два встречных равносторонних треугольника. По данному чертежу потом легче будет расположить уголки крепления лопастей.

Если не уверены в чем то, шаблоны из картона помогут избежать ошибок и дальнейших переделываний.

Последовательность действий изготовления турбины:
- Изготовление нижней и верхней опор (оснований) лопастей. Разметьте и при помощи лобзика вырежьте из ABS пластика окружность. Затем обведите ее и вырежьте вторую опору. Должны получиться две абсолютно одинаковые окружности.
- В центре одной опоры вырежьте отверстие диаметром 30 см. Это будет верхняя опора лопастей.
- Возьмите хаб (ступица от авто) и разметьте и просверлите четыре отверстия на нижней опоре для крепления хаба.
- Сделайте шаблон расположения лопастей (рис. выше) и разметьте на нижней опоре места крепления уголков, которые будут соединять опору и лопасти.
- Сложите лопасти в стопку, прочно свяжите их и обрежьте до требуемой длины. В данной конструкции лопасти длиной 116 см. Чем длинее лопасти, тем больше энергии ветра они получают, но обратной стороной является нестабильность в сильный ветер.
- Разметьте лопасти для крепления уголков. Накерните, а затем просверлите отверстия в них.
- Используя шаблон расположения лопастей, который представлен на рисунке выше, прикрепите лопасти к опоре при помощи уголков.

Последовательность действий по изготовлению ротора:

- Положите два основания ротора друг на друга, совместите отверстия и напильником или маркером сделайте небольшую метку по бокам. В дальнейшем, это поможет правильно сориентировать их относительно друг-друга.
- Сделайте два бумажных шаблона расположения магнитов и приклейте их на основания.
- Промаркируйте полярность всех магнитов при помощи маркера. В качестве "тестера полярности" можно использовать небольшой магнит, обмотанный тряпкой или изолентой. Проводя его над большим магнитом, будет хорошо видно, отталкивается он или притягивается.
- Приготовьте эпоксидную смолу (добавив в нее отвердитель). И равномерно нанесите ее снизу магнита.
- Очень аккуратно поднесите магнит к краю основания ротора и переместите его к своей позиции. Если магнит устанавливать сверху ротора, то большая мощность магнита может его резко примагнитить и он может поломаться. И никогда не суйте свои пальцы и другие части тела между двумя магнитами или магнитом и железом. Неодимовые магниты очень мощные!
- Продолжайте приклеивать магниты к ротору (не забудьте смазывать эпоксидкой), чередую их полюса. Если магниты сьезжают под действием магнитной силы, то воспользуйтесь куском дерева, располагая его между ними для страховки.
- После того, как один ротор закончили, переходите к второму. Используя ранее поставленную метку, расположите магниты точно напротив первого ротора, но в другой полярности.
- Положите роторы подальше друг от друга (чтобы они не примагнитились, иначе потом не отдерете).
Изготовление статора очень трудоемкий процесс. Можно конечно купить готовый статор (попробуй еще найти их у нас) или генератор, но не факт, что они подойдут для конкретного ветряка со своими индивидуальными характеристиками

Статор ветрогенератора - электрический компонент, состоящий из 9-ти катушек. Катушка статора изображена на фото выше. Катушки разделены на 3 группы, по 3 катушки в каждой группе. Каждая катушка намотана проводом 24AWG (0.51мм) и содержит в себе 320 витков. Большее количество витков, но более тонким проводом даст более высокое напряжение, но меньший ток. Поэтому, параметры катушек могут быть изменены, в зависимости от того, какое напряжение вам требуется на выходе ветрогенератора. Нижеследующая таблица поможет вам определиться:
320 витков, 0.51 мм (24AWG) = 100В @ 120 об/мин.
160 витков, 0.0508 мм (16AWG) = 48В @ 140 об/мин.
60 витков, 0.0571 мм (15AWG) = 24В @ 120 об/мин.
Вручную наматывать катушки - это скучное и трудное занятие. Поэтому, чтобы облегчить процесс намотки я бы вам посоветовал сделать простое приспособление - намоточный станок. Тем более, что конструкция его достаточно проста и сделать его можно из подручных материалов.
Витки всех катушек должны быть намотаны одинаково, в одном и том же направлении и обращайте внимание или отмечайте, где начало, а где конец катушки. Для предотвращения разматывания катушек, они обмотаны изолентой и промазаны эпоксидкой.
Приспособление для намотки катушек
Приспособа сделана из двух кусков фанеры, изогнутой шпильки, куска ПВХ-трубы и гвоздей. Перед тем, как изогнуть шпильку, нагрейте ее горелкой.

Небольшой кусок трубы между дощечками обеспечивает заданную толщину, а четыря гвоздя обеспечивают необходимые размеры катушек.

Вы можете придумать свою конструкцию намоточного станка, а может у вас уже имеется готовый.
После того, как все катушки намотаны их необходимо проверить на идентичность друг к другу. Это можно сделать при помощи весов, а также нужно померить сопротивления катушек мультиметром.

Схема соединения катушек статора
Не подключайте домашних потребителей напрямую от ветрогенератора! Также соблюдайте меры безопасности при обращении с электричеством!

Процесс соединения катушек:
- Зачистите шкуркой концы выводов каждой катушки.
- Соедините катушки, как показано на рисунке выше. Должно получиться 3 группы, по 3 катушки в каждой группе. При такой схеме соединений получится трехфазный переменный ток. Концы катушек припаяйте, либо воспользуйтесь зажимами.
- Выберите одну из следующих конфигураций:
А. Конфигурация "звезда". Для того, чтобы получить большое напряжение на выходе, соедините выводы X,Y и Z между собой.
B. Конфигурация "треугольник". Для того, чтобы получить большой ток, соедините X с B, Y с C, Z с A.
C. Для того, чтобы в будущем сделать возможность изменять конфигурацию, нарастите все шесть проводников и выведите их наружу. - На большом листе бумаге нарисуйте схему расположения и подключения катушек. Все катушки должны быть равномерно распределены и соответствовать расположению магнитов ротора.
- Прикрепите катушки при помощи скотча к бумаге. Приготовьте эпоксидную смолу с отвердителем для заливки статора.
- Для нанесения эпоксидки на стеклоткань используйте малярную кисть. Если необходимо, то добавьте небольшие кусочки стеклоткани. Центр катушек не заполняйте, чтобы обеспечить их достаточное охлаждение при работе. Постарайтесь избегать образования пузырьков. Целью данной операции является закрепление катушек на своих местах и придание плоской формы статору, который будет располагаться между двумя роторами. Статор не будет нагруженным узлом и не будет вращаться.

Готовые катушки помещаются на вощеную бумагу с начерченной схемой расположения. Три небольших круга по углам на фото выше - места отверстий для крепления кронштейна статора. Кольцо в центре предотвращает попадание эпоксидки в центральную окружность.

Катушки закреплены на своих местах. Стеклоткань, небольшими кусочками помещается вокруг катушек. Выводы катушек можно вывести внутрь или наружу статора. Не забудьте оставить достаточный запас длины выводов. Обязательно еще раз проверьте все соединения и прозвоните мультиметром.

Статор практически готов. Отверстия для крепления кронштейна, сверлятся в статоре. При сверлении отверстий смотрите не попадите в выводы катушек. После завершения операции, обрежьте лишнюю стеклоткань и если необходимо, шкуркой зачистите поверхность статора.
Кронштейн статора
Труба для крепления оси хаба была обрезана под нужный размер. В ней были просверлены отверстия и нарезана резьба. В дальнейшем в них будут вкручены болты, которые будут удерживать ось.


На рисунке выше показан кронштейн, к которому будет крепиться статор, находящийся между двумя роторами.

На фото выше показана шпилька с гайками и втулкой. Четыре таких шпильки обеспечивают необходимый зазор между роторами . Вместо втулки можно использовать гайки большего размера, либо самому вырезать шайбы из алюминия.
Генератор. Окончательная сборка
Небольшое уточнение: малый воздушный зазор между связкой ротор-статор-ротор (который задается шпилькой с втулкой), обеспечивает более высокую отдаваемую мощность, но возрастает риск повреждения статора или ротора при перекосе оси, который может возникнуть при сильном ветре.

На левом рисунке ниже, показан ротор с 4-мя шпильками для обеспечения зазора и двумя алюминиевыми пластинами (которые в дальнейшем будут убраны).
На правом рисунке показан собранный и покрашенный в зеленый цвет статор, установленный на место.

Процесс сборки:
В плите верхнего ротора просверлите 4 отверстия и нарежьте в них резьбу для шпильки. Это необходимо для плавного опускания ротора на свое место. Уприте 4 шпильки в алюминиевые пластины приклеенные ранее и установите на шпильки верхний ротор.
Роторы будут притягиваться друг к другу с очень большой силой, поэтому и нужно такое приспособление. Сразу выровняйте роторы относительно друг-друга по поставленным ранее метках на торцах.
2-4. Поочередно вращая ключом шпильки, равномерно опускайте ротор.
После того, как ротор уперся в втулку (обеспечивающая зазор), выкрутите шпильки и уберите алюминиевые пластины.
Установите хаб (ступицу) и прикрутите его.

Генератор готов!

После установки шпилек (1) и фланца (2) ваш генератор должен выглядеть приблизительно так (см. рис. выше)

Болты из нержавейки служат для обеспечения электрического контакта. На провода удобно использовать кольцевые наконечники.

Колпачковые гайки и шайбы служат для крепления соедин. платы и опоры лопастей к генератору. Итак, ветрогенератор полностью собран и готов к тестам.
Для начала, лучше всего рукой раскручивать ветряк и измерять параметры. Если все три выходные клеммы закоротить между собой, то ветряк должен вращаться очень туго. Это может быть использовано для остановки ветрогенератора для сервисного обслуживания или в целях безопасности.
Ветрогенератор можно использовать не только для обеспечения дома электричеством. К примеру данный экземпляр, сделан так, чтобы статор вырабатывал большое напряжение, которое затем используется для нагрева.
Рассматриваемый выше генератор выдает 3-х фазное напряжение с различной частотой (зависит от силы ветра), а к примеру в России используется однофазная сеть 220-230В, с фиксированной частотой сети 50 Гц. Это отнюдь не означает, что данный генератор не подойдет для питания бытовых приборов. Переменный ток с данного генератора может быть преобразован в постоянный ток, с фиксированным напряжением. А постоянный ток уже может использоваться для питания светильников, нагрева воды, заряда аккумуляторов, а может быть поставлен преобразователь для преобразования постоянного тока в переменный. Но это уже выходит за рамки данной статьи.

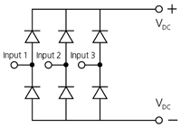
На рисунке выше простая схема мостового выпрямителя, состоящего из 6-ти диодов. Он преобразовывает переменный ток в постоянный.
Место установки ветрогенератора
Ветрогенератор, описываемый здесь, установлен на 4-х метровой опоре на краю горы. Трубный фланец, который установлен снизу генератора обеспечивает легкую и быструю установку ветрогенератора - достаточно прикрутить 4 болта. Хотя для надежности, лучше приварить.
Обычно, горизонтальные ветрогенераторы "любят" когда ветер дует с одного направления, в отличии от вертикальных ветряков, где за счет флюгера, они могут поворачиваться и им не важно направление ветра. Т.к. данный ветряк установлен на берегу скалы, то ветер там создает турбулентные потоки с разных направлений, что не очень эффективно для данной конструкции.
Другим фактором, который необходимо учитывать при подборе места размещения, является сила ветра. Архив данных по силе ветра для вашей местности можно найти в интернете, правда это будет очень приблизительно, т.к. все зависит от конкретного места.
Также, в выборе месторасположения установки ветрогенератора поможет анемометр (прибор для измерения силы ветра).
Немного о механике ветрогенератора
Как известно, ветер возникает из-за разности температур поверхности земли. Когда ветер вращает турбины ветрогенератора, он создает три силы: подьемную, торможения и импульсную. Подьемная сила обычно возникает над выпуклой поверхностью и является следствием разности давлений. Сила торможения ветра возникает за лопастями ветрогенератора, она является нежелательной и тормозит ветряк. Импульсная сила возникает из-за изогнутой формы лопастей. Когда молекулы воздуха толкают лопасти сзади, то им некуда потом деваться и они собираются позади них. В результате, они толкают лопасти в направлении ветра. Чем больше подьемная и импульсная силы и меньше сила торможения, тем быстрее лопасти будет вращаться. Соответственно вращается ротор, который создает магнитное поле на статоре. В результате чего вырабатывается электрическая энергия.

Взято: Тут
33