MichailWoroncow
Дыхательные аппараты. Открытый цикл дыхания ( 11 фото )

Итак, в части первой мы рассмотрели физиологию дыхания человека и определили, что именно требуется для его обеспечения. Теперь разберём техническое устройство аппаратов автономного дыхания. И начнём с аппаратов открытого цикла (ОЦ). Приготовьтесь, дамы и господа, далее будет конкретика.
Все аппараты ОЦ состоят из источника газа – баллона высокого давления и регулятора – устройства для снижения давления газа в баллоне до ~1 ата (относительной) и подвода дыхательной смеси с уже пониженным давлением к органам дыхания, а также отвода выдыхаемого газа. Почему в скобках я пишу «относительная», да только потому, что дыхание из аппарата может осуществляться при избыточном внешнем давлении, и 1 ата (относительная) при внешнем давлении, например, в 3 ата, будет в абсолютном выражении – 4 ата.
Ещё раз оговорюсь, что в рамках данной публикации я хочу описать только принцип работы аппарата без разбора особенностей тех или иных моделей. Поэтому я буду рассматривать один из характерных представителей данного типа.
В первой части я говорил, что аппараты ОЦ бывают одно- и двухступенчатыми.
Одноступенчатые аппараты. Именно по такой схеме Эмилем Ганьяном был создан первый акваланг, который потом так популяризировал Жак Ив Кусто. Конструкцию рассмотрим на примере советского аппарата АВМ-1М.
Общий вид:

(1), (4) гофрированные трубки вдоха и выдоха
(2) загубник
(3) мундштучная коробка
(5) оголовье
(6) вентиль подачи воздуха
(7) плечевые ремни
(8) хомут крепления баллонов
(9) ремень для соединения плечевых ремней
(10) пенопластовая вставка
(11) пряжки для крепления ремней
(12) поясной ремень
(13) пряжка поясного ремня
(14) карабин крепления брасового ремня
(15) брасовый ремень
(16) баллоны
(17) шланг манометра высокого давления
(18) манометр высокого давления и указатель минимального давления
(19) зарядный штуцер
(20) редуктор и легочный автомат.
Дыхание из аппарата происходит через ротовую полость. Для этого предназначен загубник. Мундштучная коробка служит для соединения трубок вдоха и выдоха. Т. е. на вдох у нас газ идёт только из трубки вдоха, а на выдох уходит в трубку выдоха.
С вашего позволения, я не буду рассматривать конструкцию вентиля баллона, поскольку она довольно типовая.
Далее у нас идёт редуктор, а поскольку у нас аппарат одноступенчатый, то здесь он совмещён с легочным автоматом.
Чтобы было более понятно, я немного расскажу о терминологии.
В СССР устройство, понижающее давление от высокого (в баллоне) до промежуточного (установочного), называлось «редуктор». Сейчас, в свете развития любительского подводного плавания, в терминологию пришёл «западный» термин «первая ступень». Лёгочный же автомат, в советской терминологии, обозначается как «вторая ступень», и служит этот агрегат для снижения давления с промежуточного (установочного) до ~1 ата (относительной).
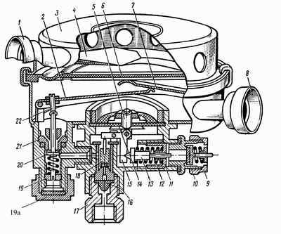
Устройство редуктора ДА АВМ-1М:

(17) переходник,
(16) сетчатый фильтр,
(18) клапан редуктора с фторопластовой вставкой,
(15) двухплечевой рычаг,
(14) мембрана редуктора,
(13) толкатель,
(12) пружина толкателя,
(11) регулировочная гайка,
(10) предохранительный клапан,
(9) регулировочная гайка и пружина предохранительного клапана.
Детали легочного автомата:
(1) штуцер для присоединения гофрированного шланга выдоха,
(3) крышка корпуса легочного автомата,
(4) лепестковый клапан выдоха,
(6) мембрана легочного автомата с жестким центром,
(2) нижний рычаг легочного автомата,
(7) верхний рычаг легочного автомата,
(8) штуцер для присоединения гофрированного шланга вдоха,
(5) гайка и шайба для крепления мембраны редуктора,
(22) регулировочный винт верхнего рычага,
(21) седло клапана легочного автомата,
(20) клапан легочного автомата с пружиной,
(19) регулировочная гайка.
Теперь к принципу работы.
При закрытом запорном вентиле под действием своей пружины толкатель, двигаясь влево, давит на двухплечевой рычаг, рычаг поворачивается по часовой стрелке вокруг своей оси, при этом клапан редуктора находится в свободном состоянии.

После открытия запорного вентиля (Рис. а) воздух открывает клапан и заполняет полость редуктора до тех пор, пока мембрана редуктора, выгибаясь вверх, не повернет двухплечевой рычаг вокруг своей оси, против часовой стрелки (Рис. б).

Двухплечевой рычаг повернется, когда давление в полости редуктора сравняется с давлением регулировки пружины толкателя (установочное давление 5–7 ата). При этом двухплечевой рычаг своим верхним рычагом давит и закрывает клапан редуктора, а нижним рычагом перемещает толкатель вправо и сжимает пружину. Таким образом, в полости редуктора воздух находится под установочным давлением.

При вдохе (Рис. в) во внутренней полости лёгочного автомата создаётся разрежение, мембрана автомата прогибается и давит на верхний рычаг. Верхний рычаг давит на нижний, а тот в свою очередь площадкой своего регулировочного винта давит на шток клапана легочного автомата. Клапан сжимает свою пружину и открывает доступ воздуха из полости редуктора в полость легочного автомата и далее к пловцу.

При окончании вдоха (Рис. г) прогиб мембраны легочного автомата уменьшается, ослабевает давление на рычаги, и клапан автомата под действием своей пружины закрывается (садится на седло). Одновременно падает давление в полости редуктора, вступает в работу толкатель с пружиной, открывается клапан редуктора, и воздух из баллонов поступает в полость редуктора до достижения установочного давления.
В случае неисправности редуктора и повышении в нем давления выше установочного, вступает в работу предохранительный клапан. Пружина предохранительного клапана сжимается, клапан отходит от седла, и излишки воздуха вытравливаются в воду. Срабатывание предохранительного клапана служит сигналом о неисправности редуктора, водолаз должен немедленно приступить к подъёму на поверхность.
Для того чтобы сделать вдох, водолаз должен создать определенное разрежение над мембраной легочного автомата (примерно 50 мм водного столба). На величину разрежения (сопротивления дыханию) влияет и расположение легочного автомата.
При определении величины сопротивления при вдохе следует учитывать разницу между легочным автоматом и центром легких водолаза. Эта величина будет изменяться, в зависимости от положения водолаза.
При вертикальном положении водолаза, когда центр легких и легочный автомат находятся почти на одном уровне, сопротивление, возникающее из-за разности гидростатических давлений, незначительно.
При горизонтальном положении (при плавании) легочный автомат находится выше центра легких, водолаз при вдохе преодолевает механическое сопротивление аппарата и сопротивление, равное разности гидростатического давления на уровнях центра легких и расположения дыхательного автомата.
При работе водолаза в положении на спине вдох производится с незначительным сопротивлением. А при выдохе сопротивление возрастет, так как легочный автомат находится ниже центра легких.
И здесь же хотелось отметить, как происходит компенсация увеличивающегося внешнего давления, ведь для обеспечения нормальной подачи газа относительное давление (в данном случае установочное) НЕ ДОЛЖНО ЗАВИСЕТЬ от величины внешнего. Это очень важный момент. Так вот выравнивание установочного давления происходит так же, как при вдохе. Т. е. увеличивающееся внешнее давление будет сжимать газ в полости лёгочного автомата со всеми вытекающими.
Надеюсь, по схеме работы всё это очень понятно.
ДА одноступенчатой схемы до сих пор выпускаются. Ими пользуются в основном подводные фотографы и видеооператоры, то есть те, кому мешают пузыри выдыхаемого газа возле головы/лица.
Дальнейшим развитием ДА открытой схемы стали двухступенчатые аппараты.
Для этого разнесли в отдельные, соединённые шлангом подачи, устройства редуктор и лёгочный автомат. С помощью такого «разделения» удалось получить ряд преимуществ перед ДА одноступенчатой схемы.
Во-первых, к одному редуктору стало возможно подключить более одного (обычно два) ЛА, что повысило безопасность работы с ДА. Кроме того, упростилось подключение шлангов промежуточного давления для поддува появившихся компенсаторов плавучести и сухих гидрокостюмов.
Во-вторых, уменьшились размеры и вес аппаратов, а конструктивно они стали проще и надёжнее.
Итак, двухступенчатые ДА открытого цикла.
Их конструкцию мы рассмотрим на примере редуктора ВР-12 и лёгочного автомата АВМ-12.
Редуктор ВР-12:

Так он выглядит «в натуре»:

Его внутренний мир:

Принцип работы.
Работа редуктора основана на принципе равенства усилий, открывающих и закрывающих клапан 16, разделяющий камеру высокого давления А, соединяемую с источником сжатого воздуха, и камеру низкого давления Б, соединяемую с потребителем.
При отсутствии давления в камерах А и Б клапан 16 под действием пружины 9 открыт. Подводимый к редуктору воздух поступает в камеру А и через седло клапана 15 под мембрану 12, а также через отверстия Е и Д в клапане 16 в полость В. Под действием нарастающего давления мембрана 12 прогибается вверх и преодолевает усилие пружины 9. Клапан 16 под действием пружины 17 и давления в полости В прикрывает седло 15 и при повышении давления в камере Б до установочного полностью закрывается, перекрывая поступление воздуха в полость низкого давления. В этом положении клапан разгружен от влияния на его открытие изменения давления на входе редуктора.
Так как полости Б и В сообщены друг с другом через отверстия Е и Д и, вследствие этого, на клапан в противоположных направлениях действуют одинаковые усилия, не зависящие от подводимого давления, то при уменьшении давления на входе редуктора по мере расходования воздуха из баллонов давление на выходе редуктора практически не изменится.
При потреблении воздуха из редуктора давление в камере Б понижается, мембрана 12 под действием пружины 9 перемещается вниз и через жесткий центр 13 отводит клапан 16 от седла 15. Между седлом и клапаном устанавливается такой зазор, при котором поступление воздуха в редуктор равно его потреблению.
Таким образом, система находится в равновесии, и в камере Б поддерживается постоянное давление, обеспечивающее расход в заданных пределах.
При погружении под воду гидростатическое давление воздействует на мембрану 7 и, прогибая ее, через толкатель 5, жесткий центр 11, мембрану 12 и жесткий центр 13 отводит клапан 16 от седла 15, увеличивая тем самым давление на выходе редуктора пропорционально глубине погружения. Для предохранения полостей низкого давления и соединяемых с ними потребителей от чрезмерного повышения давления имеется предохранительный клапан И.
Такая модель редуктора называется мембранной с сухой камерой.
Существуют и несколько иные конструкции редукторов.
Например, в поршневых редукторах с мокрой камерой нет мембран 7 и 12, а толкатель 5 выполнен в виде поршня с радиальным уплотнением. Такая конструкция имеет несколько существенных недостатков.
Во-первых, большая, чем у редуктора с сухой камерой вероятность обмерзания толкателя и заклинивание его в «открытом» положении. Заклинивание клапана редуктора приводит к т. н. «фрифлоу» или свободной подаче. Т. е. газ из баллона начинает со свистом вылетать, в зависимости от конструкции лёгочного автомата, либо вам в рот, либо через предохранительный клапан на редукторе. Очень, я вам скажу, неприятная ситуация, когда вы находитесь где-нибудь внутри затопленного корабля, на глубине десятков метров, а до поверхности, кроме выхода, ещё и часик декомпрессии, а газ со свистом убегает...
Вы можете спросить, а откуда минусовая температура в воде, ведь вода жидкая в основном при положительных температурах. А всё дело в расширении газа. Газ у нас из баллона под давлением ~300–50 ата расширяется в редукторе с падением давления до установочного 5–15 ата. А, как известно, газ при расширении охлаждается.
И ещё одна особенность этого редуктора, он является сбалансированным. Камера В (на чертеже редуктора) в буржуйских терминах называется балансировочной. В разных моделях редукторов эта камера может иметь разные схемы реализации, но смысл тот же. Балансировка позволяет сохранять скорость подачи газа независимо от давления в баллоне. В старых несбалансированных редукторах таких камер нет, и по мере расхода газа и падения давления в баллоне сопротивление дыханию возрастает.
Сейчас есть редукторы, т. н. overbalanced, т. е. перебалансированные. В таких редукторах установочное давление растёт с глубиной. Это, по задумке разработчиков, должно компенсировать увеличение «вязкости» дыхательной смеси при больших давлениях. Хотя, моё личное мнение, это больше пиар-ход. Такой же, как титановые крышечки лёгочных автоматов и теплообменники на шлангах НД.
Да, пару слов об обмерзании и газе в баллонах.
На самом деле, даже мембранные редукторы не застрахованы от свободной подачи. А виной всему влага в баллоне, которая попадает туда при «забивке» из воздуха. Вообще, с этой самой влагой компрессорщики борются повсеместно, с переменным, впрочем, успехом, зависящим от жадности и добросовестности тех компресорщиков. Ведь для удаления влаги из забиваемого газа используются довольно дорогие осушители на основе силикагеля.
А, кроме влаги, в баллон ещё могут попадать масло из компрессора из-за изношенной поршневой группы и другие газы, например, выхлоп генератора или банальный табачный дым, от курящих возле воздухозаборника компрессора дайверов. На входе в компрессор, конечно, ставятся разные маслоотделители и угольные фильтры, вот только, как показывает опыт, эти фильтры далеко не всегда вовремя меняются/обслуживаются.
Всё это очень опасно, особенно при дыхании такой смесью при повышенном внешнем давлении. Сам лично, было дело, хапнул такого воздушка с маслицем. Симптоматика после всплытия: страшная головная боль и ощущение, что рот растворителем прополоскал. А можно ведь и сознание потерять. На глубине. Случаи были.
Хорошо, теперь лёгочный автомат.

Принцип работы.
Газ по шлангу 5 подается в камеру ЛА из редуктора под установочным давлением. Клапан ЛА закрыт, причём клапан в закрытом положении удерживает как пружина 6.7, так собственно давление газа, поскольку газ в камере находится под давлением 8–9 ата, а под клапаном 1 ата.
Это важный момент.
Такой ЛА называется противопоточным. Использование таких ЛА требует наличия на редукторе предохранительного клапана. Поскольку при возникновении свободной подачи из редуктора, например, из-за его обмерзания или попадания грязи под клапан, увеличивающееся давление НИКОГДА не приведёт к открытию клапана ЛА и шланг НД просто порвёт.
Сейчас во многих ЛА используются прямоточные ЛА, в которых клапан удерживается только пружиной, а газ подаётся с другой стороны. При такой схеме клапан ЛА работает как предохранительный. Т. е. при росте установочного давления в какой-то момент клапан открывается и стравливает «лишнее» давление, не позволяя разрываться шлангу НД.
Прямоточный ЛА позволяет обходиться без предохранительного клапана на редукторе, однако в противопоточном лёгочнике сопротивление на вдох ниже, и нет риска неожиданно получить в горло неконтролируемый поток газа. Это хоть и не очень опасно, но довольно неприятно. Хотя в любительском дайвинге преобладают как раз прямоточные ЛА.
Рассмотрим работу ЛА.
При вдохе создаётся разрежение и мембрана 6.2, прогибаясь внутрь, давит на рычаг 6.3, который в свою очередь, нажимая на шток клапана 6.4, открывает его. Газ попадает в пространство под мембраной и далее в дыхательную систему водолаза. Направление движения газа показано стрелками.
Далее вдох заканчивается, газ из клапана поддувает пространство под мембраной, вызывая обратное выгибание мембраны 6.2. Мембрана освобождает рычаг, и клапан под действием пружины и давления газа (только пружины в прямоточных ЛА) закрывается.
Затем начинается выдох. Газ из лёгких попадает обратно в подмембранное пространство и создаёт в нём избыточное давление, под действием которого открывается клапан выдоха 6.5, и газ удаляется в окружающую среду. В конце выдоха избыточное давление исчезает, и клапан выдоха закрывается, препятствуя поступлению воды в подмембранное пространство.
Также в ЛА присутствует кнопка байпаса для принудительной вентиляции подмембранного пространства. Бывает необходима при, например, замене ЛА под водой.
Вообще, конфигураций лёгочных автоматов довольно много.
По расположению мембран, рычагов, наличию тонких регулировок усилия подрыва клапана, симметричности конструкции, сбалансированности клапана и т. д. и т. п. Но принцип работы у всех один.
Итак, мы разобрали устройство ДА открытого цикла.
В дальнейшем при рассмотрении ребризеров нам это пригодится, поскольку в этих ДА подача газа из баллонов в дыхательный контур происходит как раз при помощи аппаратов ОЦ.
А в следующей части я немного расскажу о баллонах высокого давления, о достоинствах и недостатках разных их видов, о типах соединения редуктора и баллона, ну и начну о ДКБ, разных дыхательных смесях и для чего их используют. Опять-таки, постараюсь не вдаваться в лютую конкретику.
Автор:Олег Ставцев
Взято: Тут
1131